Hoşgeldiniz
Ziyaretçi
. Lütfen
giriş yapın
veya
kayıt olun
.
1 Saat
1 Gün
1 Hafta
1 Ay
Her zaman
Kullanıcı adınızı, şifrenizi ve aktif kalma süresini giriniz
Ana Sayfa
Yardım
Giriş Yap
Kayıt Ol
Otomasyon Forum
»
Otomatik Kumanda
»
Otomatik Kumanda
»
Dahlander motor yol verme örnekleri.
« önceki
sonraki »
Yazdır
Sayfa: [
1
]
Gönderen
Konu: Dahlander motor yol verme örnekleri. (Okunma sayısı 434 defa)
0 Üye ve 4 Ziyaretçi konuyu incelemekte.
Mesut
Administrator
Hero Member
İleti: 698
Thanked: 278 times
Karma: +158/-0
Dahlander motor yol verme örnekleri.
«
:
10 Haziran 2025, 12:29:16 »
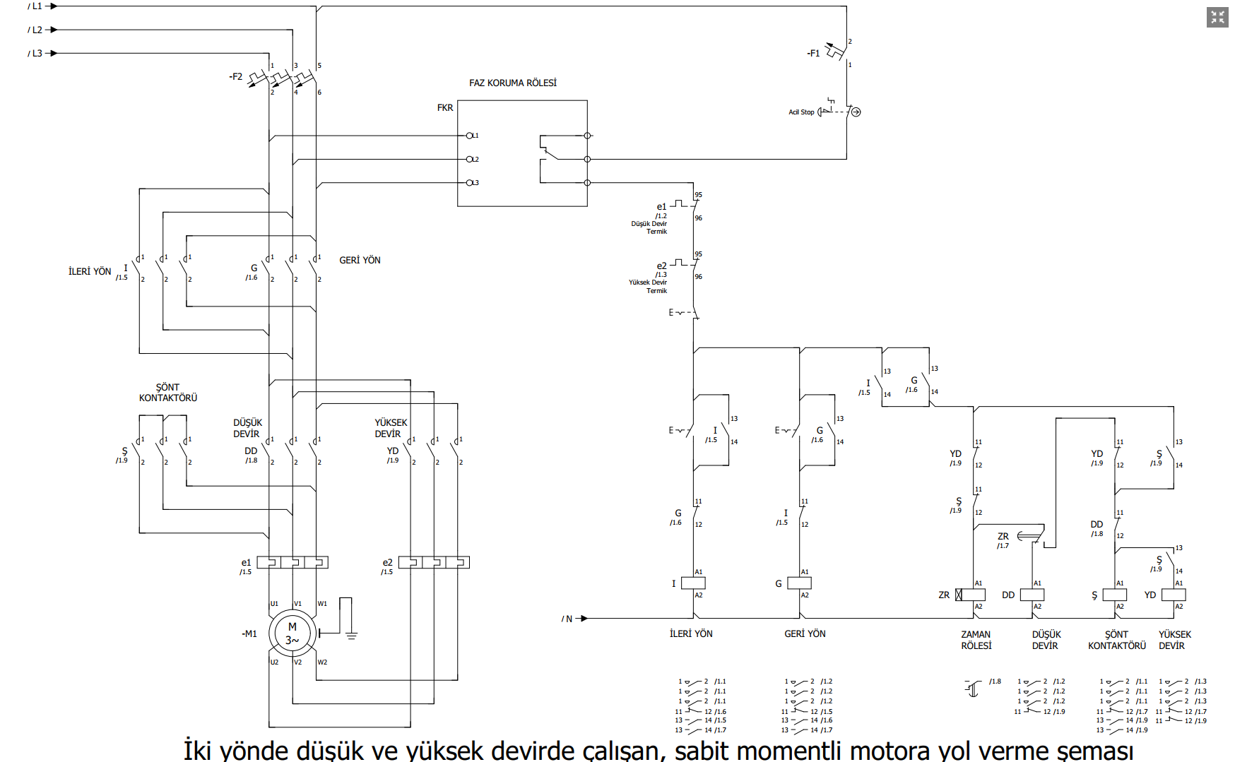
Dahlender motorlarda şebekenin ve motorun elektrik ve mekanik zorlanmalarını önleme sebebi ile ilk önce düşük devirde start edilir ve devrini aldıktan sonra yüksek devire geçilir.
İki devirli bir motorun yüksek ve düşük devirlerde çalışırken devir yönünün aynı olması gereklidir.
Düşük ve yüksek hızlı çalışmada, aynı faz sırası için motorun faz sırası değişmemelidir
Bunun için kontaktör bağlantılarında, faz sırasının değişmemesine dikkat edilmelidir.
Uygulamada dahlender motora zaman ayarlı veya buton kontrollü yol verilecek ise düşük ve yüksek devir manuel olarak ayrı ayrı devreye alınarak, her iki hızda da dönüş yönünün aynı olduğu teyit edilmelidir.
İki devirli sabit momentli, Dahlender sargılı motora zaman röleli yol verme.
İki yönde düşük ve yüksek devirde çalışan, sabit momentli motora yol verme şeması.
İki devirli sabit momentli, Dahlender sargılı motora buton kontrollü yol verme.
Dahlender motor klemens sargı düzeni ve sağlamlık kontrolü.
Kayıtlı
HAYATIN TÜMÜ BANA Kolaylık, Neşe ve İhtişamla Gelir.
The following users thanked this post:
fahri yetiş
,
Under Ground
,
kocamanusta
Yazdır
Sayfa: [
1
]
« önceki
sonraki »
Otomasyon Forum
»
Otomatik Kumanda
»
Otomatik Kumanda
»
Dahlander motor yol verme örnekleri.
There was an error while thanking
Thanking...